Ürünler ülke çapında iyi bilinmekte ve Güneydoğu Asya, Amerika ve Avrupa ülkeleri gibi birçok yabancı ülkeye ihraç edilmektedir.
Ürünler ülke çapında iyi bilinmekte ve Güneydoğu Asya, Amerika ve Avrupa ülkeleri gibi birçok yabancı ülkeye ihraç edilmektedir.
| Tür | 4K41ZD |
| Aspirasyon | Süper şarj |
| Deplasman (L) | 4.1 |
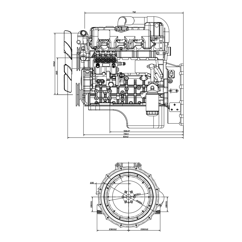
| Delik (mm) xStroke (mm) | 105x118 |
| Güç (kW) / Hız (d / dak) | 59 |
| Tork (N • m) / Hız (d / dak) | 376 |
| Yakıt enjeksiyon sistemi | Elektronik birim pompası |
| Yakıt tüketim oranı (g / kW-h) | 240 |
| Gürültü dB (A) | ≤114 |
| Emisyon seviyesi | CN aşama II |
| Ağırlık (kg) | 360 |
| Boyutlar (mm) | 815x645x820 |
| Motor | |
| Tür | Sıralı, su soğutmalı, 4 zamanlı, direkt enjeksiyon halkası benzeri platform yanması |
| Hız [min-1] | 1500 |
| Egzoz emisyon standardı | CN aşama II |
| Genel | |
| Aspirasyon | Süper şarj |
| Silindir sayısı | 4 |
| Sıkıştırma oranı | 18 |
| Rotasyon (volana bakarken) | Saat yönünün tersine |
| Volan dişli çarkı üzerindeki diş sayısı | 120 |
| Yönetim standartları | |
| Hız düşüşü (statik) mech. gov. [%] | - |
| Hız düşüşü (statik) elektr. gov. (EMR / GAC) [%] | % 3 |
| Yağlama sistemi | |
| Yağ özellikleri | CF |
| Yağ tüketimi (yakıt tüketiminin yüzdesi olarak) | 0.5 |
| Yağ karteri kapasitesi [l] | 6.5 |
| Çıktı | |
| Fan azaltma [kW] | 2.5 |
| Net volan [kW] | 54 |
| Elektrik çıkışı | 48.6 |
| Yakıt sistemi | |
| Yakıt tüketimi | |
| % 25 yük [l / sa] | 4.9 |
| % 50 yük [l / sa] | 8.3 |
| % 75 yük [l / sa] | 12 |
| Soğutma sistemi | |
| Genel motor soğutma verileri | |
| Maks. Alan sayısı perm. soğutma suyu çıkış sıcaklığı [° C] | 95 |
| Min. soğutma sıvısı pompasından önceki basınç [bar] | |
| Standart koşullarda CAC çıkışındaki sıcaklık [° C] | 85 |
| Soğutma sıvısı kapasitesi (motor) [l] | 8.54 |
| Soğutma sıvısı kapasitesi (soğutma ünitesi dahil) [l] | |
| Kaynatılacak hava (maksimum izin verilen soğuk hava sıcaklığı fanda) [° C] | 45 |
| Soğutma hava akışı [m3 / h] | 294 |
| Hava basıncı kaybı [bar] | - |
| Elektrik sistemi | |
| Gerilim [V] | 12 |
| Marş [kW] | 3.8 |
| Alternatör çıkışı [A] | 35 |
| Tür | 4K41ZD |
| Aspirasyon | Süper şarj |
| Deplasman (L) | 4.1 |
| Delik (mm) xStroke (mm) | 105x118 |
| Güç (kW) / Hız (d / dak) | 59 |
| Tork (N • m) / Hız (d / dak) | 376 |
| Yakıt enjeksiyon sistemi | Elektronik birim pompası |
| Yakıt tüketim oranı (g / kW-h) | 240 |
| Gürültü dB (A) | ≤114 |
| Emisyon seviyesi | CN aşama II |
| Ağırlık (kg) | 360 |
| Boyutlar (mm) | 815x645x820 |
| Motor | |
| Tür | Sıralı, su soğutmalı, 4 zamanlı, direkt enjeksiyon halkası benzeri platform yanması |
| Hız [min-1] | 1500 |
| Egzoz emisyon standardı | CN aşama II |
| Genel | |
| Aspirasyon | Süper şarj |
| Silindir sayısı | 4 |
| Sıkıştırma oranı | 18 |
| Rotasyon (volana bakarken) | Saat yönünün tersine |
| Volan dişli çarkı üzerindeki diş sayısı | 120 |
| Yönetim standartları | |
| Hız düşüşü (statik) mech. gov. [%] | - |
| Hız düşüşü (statik) elektr. gov. (EMR / GAC) [%] | % 3 |
| Yağlama sistemi | |
| Yağ özellikleri | CF |
| Yağ tüketimi (yakıt tüketiminin yüzdesi olarak) | 0.5 |
| Yağ karteri kapasitesi [l] | 6.5 |
| Çıktı | |
| Fan azaltma [kW] | 2.5 |
| Net volan [kW] | 54 |
| Elektrik çıkışı | 48.6 |
| Yakıt sistemi | |
| Yakıt tüketimi | |
| % 25 yük [l / sa] | 4.9 |
| % 50 yük [l / sa] | 8.3 |
| % 75 yük [l / sa] | 12 |
| Soğutma sistemi | |
| Genel motor soğutma verileri | |
| Maks. Alan sayısı perm. soğutma suyu çıkış sıcaklığı [° C] | 95 |
| Min. soğutma sıvısı pompasından önceki basınç [bar] | |
| Standart koşullarda CAC çıkışındaki sıcaklık [° C] | 85 |
| Soğutma sıvısı kapasitesi (motor) [l] | 8.54 |
| Soğutma sıvısı kapasitesi (soğutma ünitesi dahil) [l] | |
| Kaynatılacak hava (maksimum izin verilen soğuk hava sıcaklığı fanda) [° C] | 45 |
| Soğutma hava akışı [m3 / h] | 294 |
| Hava basıncı kaybı [bar] | - |
| Elektrik sistemi | |
| Gerilim [V] | 12 |
| Marş [kW] | 3.8 |
| Alternatör çıkışı [A] | 35 |